
台灣健身第一品牌
▸ 安全第一 品質保證 ◂
從踏進統鑫的瞬間,選購不再需要擔心質量
堅持信念始終如一,陪你砥礪前行追求夢想

統鑫健身器材
在地生產|追求高品質|工業級安全強度
全部●深蹲架●自由重量●輔助/功能性訓練●舉重輔助器材●收納器材●配件零件●健身訓練地材●機械式重量●健身空間規劃 / 客製化加載更多SGS檢測證書
台灣在地品牌 深蹲架強度測試

健力半框深蹲架(基礎版)|HALF POWER RACK
SGS載重試驗 P.1 OF P.3

健力半框深蹲架(基礎版)|HALF POWER RACK
SGS載重試驗 P.2 OF P.3

健力半框深蹲架(基礎版)|HALF POWER RACK
SGS載重試驗 P.3 OF P.3

健力半框深蹲架(升級版)|HALF POWER RACK
SGS載重試驗 P.1 OF P.3

健力半框深蹲架(升級版)|HALF POWER RACK
SGS載重試驗 P.2 OF P.3

健力半框深蹲架(升級版)|HALF POWER RACK
SGS載重試驗 P.3 OF P.3

HALF POWER RACK-BASIC
SGS STATIC LOADING TEST
P.1 OF P.3

HALF POWER RACK-BASIC
SGS STATIC LOADING TEST
P.2 OF P.3

HALF POWER RACK-BASIC
SGS STATIC LOADING TEST
P.3OF P.3

HALF POWER RACK-UPGRADE
SGS STATIC LOADING TEST
P.1 OF P.3

HALF POWER RACK-UPGRADE
SGS STATIC LOADING TEST
P.2 OF P.3

HALF POWER RACK-UPGRADE
SGS STATIC LOADING TEST
P.3 OF P.3

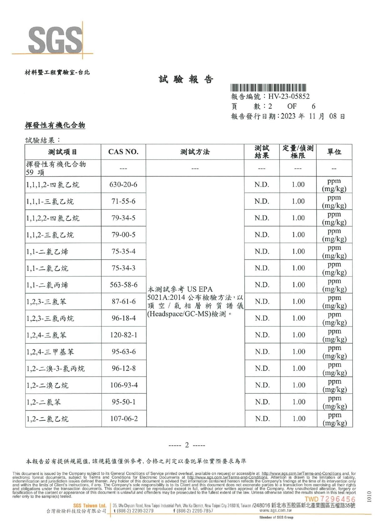
加硬地墊|ACHIEVE
SGS揮發性有機化合物檢測
P.1 OF P.6

加硬地墊|ACHIEVE
SGS有機揮發物檢測
P.2 OF P.6

加硬地墊|ACHIEVE
SGS揮發性有機化合物檢測
P.3 OF P.6

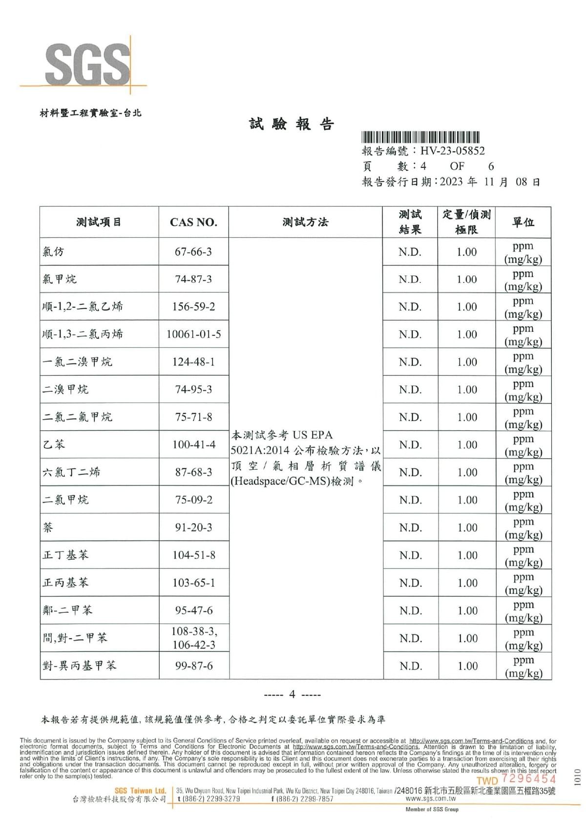
加硬地墊|ACHIEVE
SGS揮發性有機化合物檢測
P.4 OF P.6

加硬地墊|ACHIEVE
有機揮發物檢測
P.5 OF P.6

加硬地墊|ACHIEVE
SGS揮發性有機化合物檢測
P.6 OF P.6

加硬地墊|ACHIEVE
SGS硬度試驗
P.1 OF P.2

加硬地墊|ACHIEVE
SGS硬度試驗
P.2 OF P.2

加硬地墊|ACHIEVE
SGS摩擦係數試驗
P.1 OF P.3

加硬地墊|ACHIEVE
SGS摩擦係數試驗
P.2 OF P.3

加硬地墊|ACHIEVE
SGS摩擦係數試驗
P.3 OF P.3

安全護帶|SAFETY FORCE BELT
SGS抗拉強度試驗P.1 OF P.2

安全護帶|SAFETY FORCE BELT
SGS抗拉強度試驗P.2 OF P.2

SAFETY FORCE BELT
SGS TENSILE STRENGTH
P.1 OF P.2

SAFETY FORCE BELT
SGS TENSILE STRENGTH
P.2 OF P.2
給您更安全更高品質的健身體驗
統鑫健身架打破有別以往的設計,腳架中間採懸空設計,避免摔槓時的重量直接傳到地面,此設計上的突破能大大減少極大的噪音,經重力承載測試,將520kg的槓鈴加槓片,以140cm-70cm的高度向下放下,經測試結果發現,腳架沒有絲毫變形。
統鑫產品型錄
網站看到眼花撩亂了嗎? 點擊連結快速瀏覽統鑫產品!


































